- 3,2
- 4,0
- 4,8
- 8
- 10
- 12
- 16
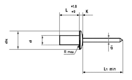
Заклепка глухая A2 из нержавеющей стали со стандартным бортом – это прочное и надежное соединительное изделие, пользующееся популярностью в различных областях из-за своих преимуществ. Давайте рассмотрим подробнее, что представляет собой данная заклепка и какие преимущества она предоставляет.
Основные характеристики заклепки глухой A2 с нержавеющей стали и стандартным бортом:
- Нержавеющая сталь A2: Заклепка изготовлена из нержавеющей стали класса A2, что обеспечивает высокую стойкость к коррозии. Это особенно важно в случаях, когда соединение подвергается воздействию влаги или агрессивных химических веществ.
- Глухая конструкция: Заклепка глухая получила свое название из-за того, что она не имеет выступающей стержневой части после установки. Такая конструкция обеспечивает более аккуратный внешний вид и снижает вероятность зацепления за заклепку или другие объекты.
- Стандартный борт: Стандартный борт означает, что головка заклепки имеет обычную, стандартную форму. Это обеспечивает надежное соединение между элементами и облегчает процесс монтажа.
- Простота монтажа: Монтаж заклепки глухой A2 со стандартным бортом довольно прост и не требует сложных инструментов. Это позволяет быстро и эффективно создавать крепкие соединения.
- Универсальное применение: Заклепки глухие A2 с нержавеющей стали и стандартным бортом применяются в разнообразных отраслях, включая строительство, машиностроение, автомобильную индустрию, судостроение, мебельное производство и многие другие. Они подходят для соединения различных материалов, таких как металл, пластик и др.
Преимущества использования заклепок глухих A2:
-
-Прочность и надежность: Заклепки обеспечивают крепкое соединение между элементами, что важно для безопасности и стабильности конструкции.
-Стойкость к коррозии: Материал нержавеющей стали A2 делает заклепки устойчивыми к воздействию влаги и агрессивных сред, что продлевает их срок службы.
-Простота установки: Монтаж заклепок не требует специализированных навыков, и их можно устанавливать с помощью широко доступных инструментов.
Заклепка глухая A2 из нержавеющей стали со стандартным бортом – это надежный способ создать прочное и долговечное соединение между элементами, обеспечивая при этом аккуратный и эстетичный внешний вид.
Технические параметры

Как купить крепеж и метизы в нашем интернет-магазине: пошаговая инструкция
Покупка крепежа и метизов в нашем интернет-магазине — это простой и удобный процесс, который состоит из нескольких этапов. Мы предлагаем широкий ассортимент товаров высокого качества, оперативную доставку и различные варианты оплаты. Чтобы вы смогли легко оформить заказ, следуйте этой пошаговой инструкции:
Этап 1. Выбор товара и оформление заказа
Первым шагом на пути к покупке крепежа и метизов является выбор необходимой продукции в нашем каталоге. На сайте представлены разнообразные категории товаров, включая болты, гайки, шайбы, анкера и другие крепежные изделия. Выберите нужные позиции, укажите количество и добавьте их в корзину.
После того как все нужные товары выбраны, перейдите в корзину и проверьте список добавленных товаров. Если всё верно, нажмите кнопку «Оформить заказ».
Этап 2. Покупатель: ввод данных
На этапе оформления заказа вам нужно указать свои контактные данные. Это позволит нам связаться с вами для подтверждения заказа и уточнения деталей доставки.
- Заполнение имени и контактного телефона — Введите актуальные данные, чтобы наши менеджеры могли оперативно связаться с вами.
- Электронная почта — укажите вашу электронную почту для получения уведомлений о статусе заказа.
- Компания (для корпоративных клиентов) — если вы покупаете крепеж для бизнеса, укажите название вашей компании и УНП для выставления счетов и предоставления отчетных документов.
Этап 3. Заполнение адреса
Далее вам нужно указать точный адрес доставки. Это важный этап, который позволяет доставить заказ точно и в срок. Введите:
- Город и населенный пункт — выберите ваш регион доставки.
- Улица, дом, квартира/офис — заполните детальную информацию о месте, куда будет доставлен заказ.
- Дополнительные инструкции — если к вашему адресу есть особые указания (например, подъезд или код домофона), не забудьте указать их для удобства курьера.
Этап 4. Доставка
Мы предлагаем несколько вариантов доставки, чтобы каждый клиент мог выбрать наиболее удобный:
- Курьерская доставка по адресу — наш курьер привезет заказ прямо к вам домой или в офис. Это удобный вариант для тех, кто хочет получить товары без лишних хлопот.
- Самовывоз — вы можете забрать заказ самостоятельно в одном из наших пунктов выдачи. Это быстрый и экономичный способ получения заказа.
- Доставка через транспортные компании — для региональных заказов мы сотрудничаем с надежными транспортными службами, которые доставляют крепеж и метизы по всей стране.
Стоимость и сроки доставки зависят от выбранного региона и способа доставки. Все детали вы сможете узнать на этапе выбора доставки или у нашего менеджера.
Этап 5. Оплата
Мы предлагаем несколько вариантов оплаты, чтобы вам было удобно сделать покупку:
- Безналичный расчет — удобен для корпоративных клиентов. Счет выставляется после оформления заказа.
- Онлайн-оплата через ЕРИП — надежный и быстрый способ оплаты, который позволяет сразу же подтвердить покупку.
- Оплата наличными и/или банковской картой — при самовывозе и доставке курьером вы можете расплатиться наличными и банковской картой.
Обратите внимание, что при оплате наличными курьеру нужно подготовить точную сумму, чтобы не было задержек при получении заказа.
Этап 6. Подтверждение и завершение заказа
После того как вы выбрали товары, указали адрес и способ доставки, а также оплатили заказ, наш менеджер свяжется с вами для его подтверждения. Вы получите электронное письмо с информацией о заказе и статусе его обработки.
- Статус заказа — вы сможете отслеживать статус вашего заказа через личный кабинет на сайте или по электронной почте.
- Информация о доставке — когда заказ будет передан в службу доставки, вам придет уведомление с ориентировочным временем прибытия курьера или с номером отслеживания посылки.
Заключение
Покупка крепежа и метизов в нашем интернет-магазине — это быстро, надежно и удобно. Мы предлагаем качественные товары, разнообразные варианты доставки и оплаты, а также оперативную поддержку на всех этапах покупки. Оформляйте заказ прямо сейчас, и мы позаботимся о том, чтобы ваша покупка была доставлена в кратчайшие сроки!
Варианты оплаты:
-
1. Наличными при получении товара:
- Пункт “Система “Расчет” (ЕРИП)
- Прочие платежи
- Товары, работы и услуги
- Минск
- Еврокрепеж (номер услуги в ЕРИП: 5185471)
- Для оплаты товара введите Номер заказа
-
Этот способ оплаты позволяет вам оплатить заказ наличными средствами непосредственно при получении товара у курьера или в пункте выдачи. Пожалуйста, имейте под рукой достаточную сумму для оплаты заказа.
-
Вы также можете воспользоваться банковской картой для оплаты заказа непосредственно при его получении у курьера или в пункте выдачи. Мы принимаем основные платежные карты для вашего удобства.
-
Мы предоставляем возможность оплаты через систему «Расчет» (ЕРИП), что делает процесс оплаты удобным и безопасным. Вы можете использовать этот метод оплаты через свой интернет-банк, терминалы самообслуживания или банковские отделения, выбрав наше предприятие в системе ЕРИП и указав номер заказа для оплаты:
-
После оформления заказа наши специалисты подготовят счет для оплаты и согласуют с Вами все детали сделки.
Пожалуйста, обратите внимание, что все наши методы оплаты обеспечивают безопасность и конфиденциальность Ваших платежных данных. Мы ценим Ваше доверие и гарантируем, что Ваши личные данные будут обработаны в соответствии с высокими стандартами безопасности.
Если у Вас возникли дополнительные вопросы по поводу методов оплаты или у Вас есть особые запросы, связанные с оплатой, не стесняйтесь связаться с нашими специалистами. Мы готовы помочь Вам в любое время.
Спасибо за Ваш выбор и доверие!
Варианты доставки:
1. Самовывоз из пункта выдачи:
-
Вы можете самостоятельно забрать Ваш заказ из нашего пункта выдачи, расположенного по адресу: 2-ой Велосипедный пер., 30/5. Данная услуга доступна в удобное для Вас время согласно расписанию работы пункта выдачи - в будние дни с 8.30 до 17.00.
2. Бесплатная курьерская доставка по г. Минску при сумме заказа свыше 100 рублей:
-
Мы рады предоставить Вам бесплатную курьерскую доставку по г. Минску при оформлении заказа на сумму более 100 рублей. Наш профессиональный курьер доставит Ваш заказ прямо к Вашему дому или офису в удобное для Вас время.
3. Бесплатная курьерская доставка по Беларуси при сумме заказа свыше 200 рублей:
-
Мы рады предоставить Вам бесплатную курьерскую доставку по Беларуси при оформлении заказа на сумму более 200 рублей. Пожалуйста, убедитесь, что адрес доставки указан корректно для беззаботной доставки.
Мы делаем все возможное, чтобы обеспечить быструю и надежную доставку заказов. Пожалуйста, обратите внимание, что сроки доставки могут варьироваться в зависимости от Вашего местоположения и текущей загруженности службы доставки.
Если у Вас возникли вопросы или Вам необходима дополнительная информация о вариантах доставки, наши специалисты всегда готовы помочь. Мы стремимся сделать процесс доставки максимально удобным для наших клиентов.
Спасибо за выбор нашего сервиса!








